Task
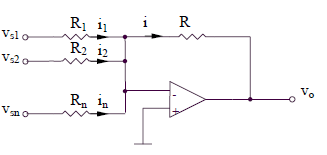
An op-amp based adder produces an output equal to the sum of the input voltages applied at its inverting terminal.

Check the result:

An op-amp based adder produces an output equal to the sum of the input voltages applied at its inverting terminal.

Check the result:

Licensed under the Creative Commons Attribution Share Alike License 4.0